主要在設備儀器中配套使用
產品特性:
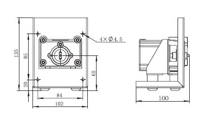
T-S400蠕動泵由57步進電機搭配安裝支架構成的體積小、結構簡單的蠕動泵驅動器產品。主要在設備、儀器中配套使用,可搭配多種泵頭,實現1140mL/min以下的流體傳輸。由用戶直接驅動步進電機對工作過程進行控制,采用底板、面板兼容的安裝方式。滿足RoHS需求。
功能特點

技術指標

其他參數
由57步進電機搭配安裝支架構成的體積小、結構簡單的蠕動泵驅動器產品,可搭配多種泵頭,實現1140mL/min以下的流體傳輸。由用戶直接驅動步進電機對工作過程進行控制,采用底板、面板兼容的安裝方式。
流量范圍:-≤1300ml/min
最大通道數:1


| 屬性 | 參數 |